Menu

Search for More Information
Home > Product > Electric cylinder series > Electric Cylinder
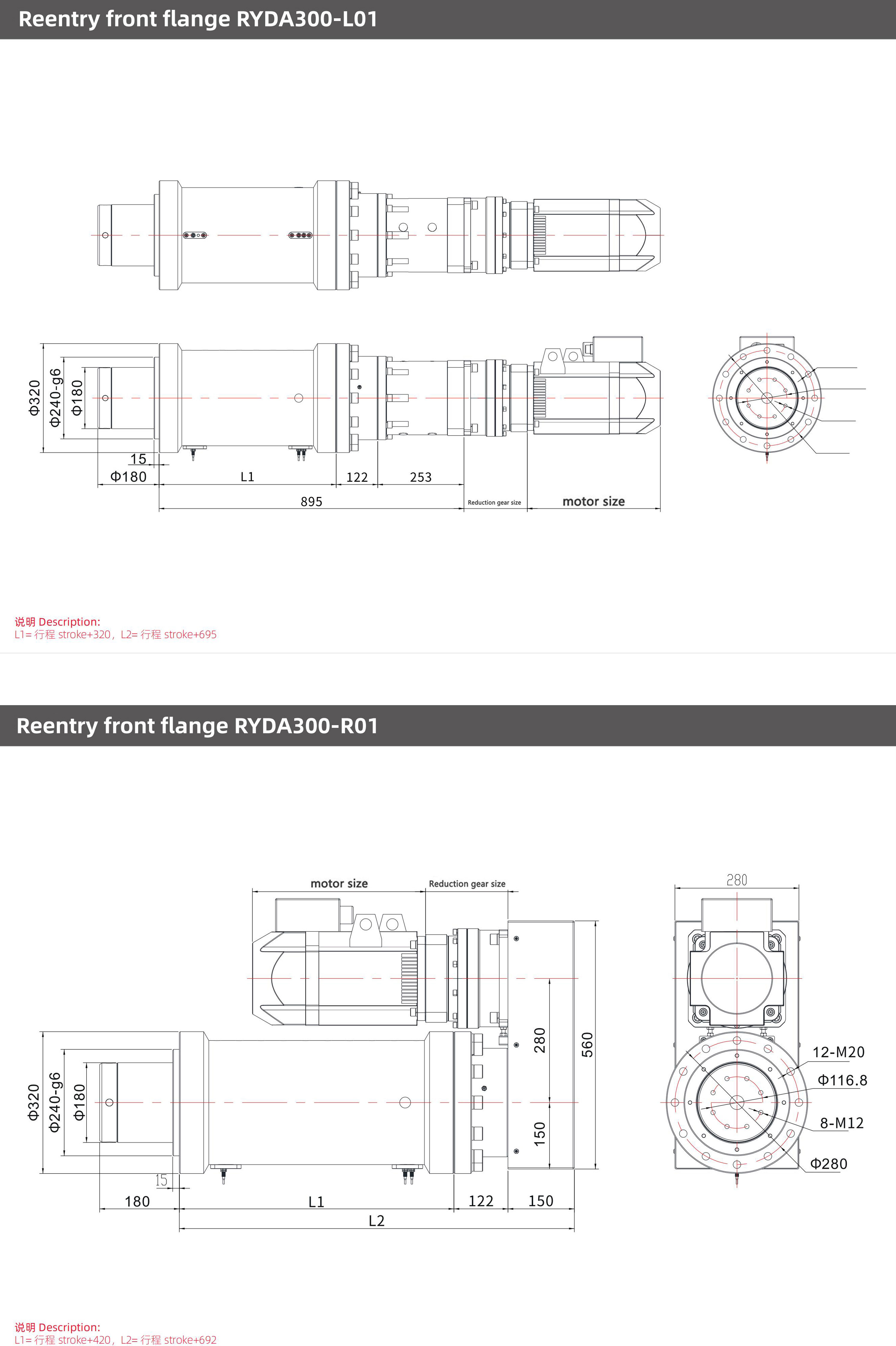
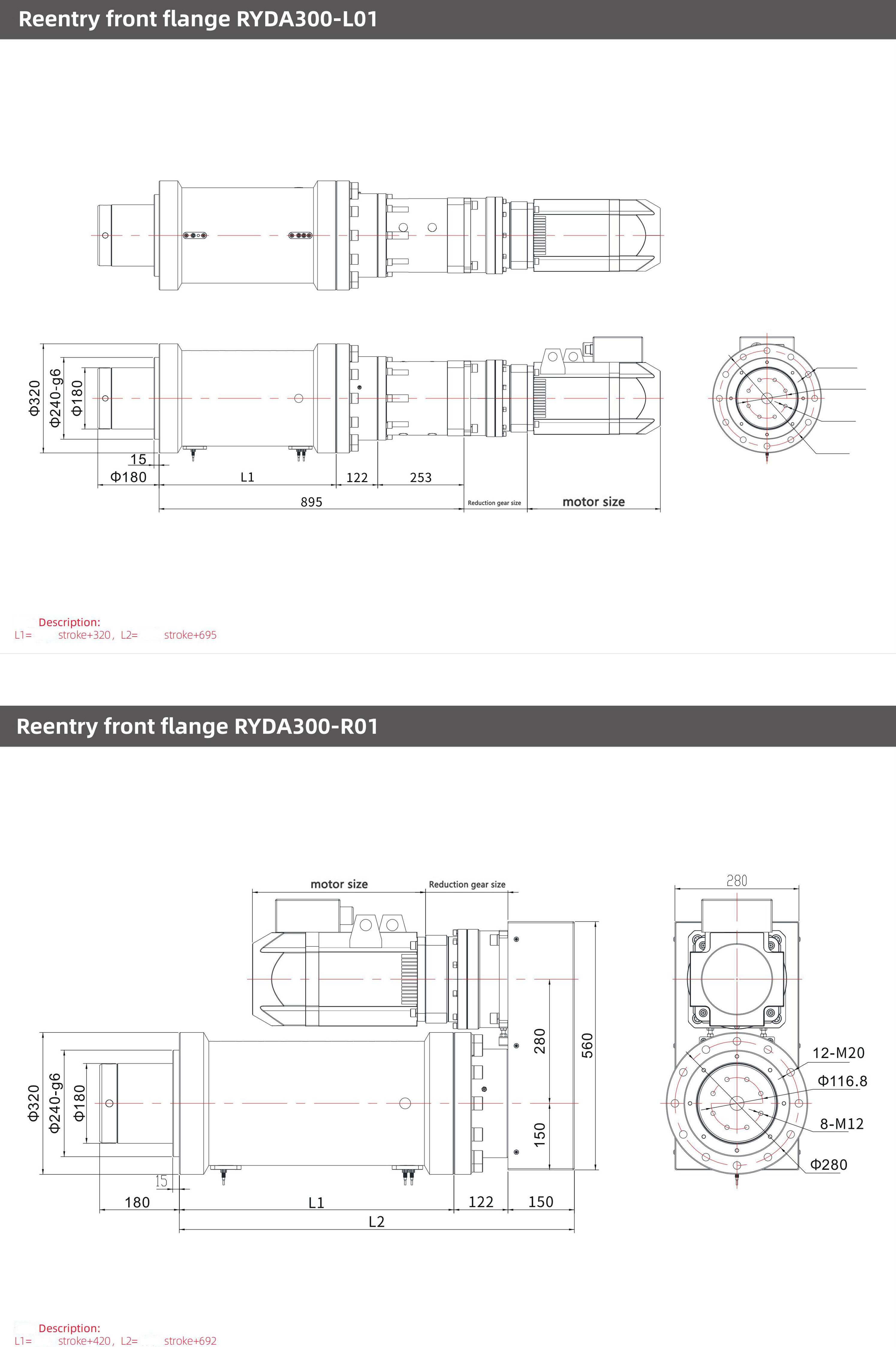
RYDA300 Electric Cylinder

Dongguan Jiayi independently develops and produces linear modules, featuring high rigidity and precision, stable performance, and no need for splicing. They are suitable for various workstation needs and can be infinitely spliced to meet long-travel requirements. For inquiries, please contact Deng Sheng at 18822958970

Product Parameters

The RYDA300 semi-enclosed belt module has the following advantages:

1. The core components are imported from Taiwan, including screw rods and guide rails.

2. The body adopts a new type of aviation aluminum material, which has higher rigidity and lighter weight.

3. High stability, high reliability, with an accuracy of up to 0.02mm.

4. Smooth operation, no wear and tear, minimal maintenance, long service life.

5. Compact size, space saving, easy to build.

6. The requirements for the motor are not high, and it can adapt to mainstream motors on the market.

Engineering one-on-one tailored selection, helping you save time and make products more superior.


Param Selection

01.jpg

02.jpg


Model representation

03.jpg


Product specifications - performance parameters

04.jpg


List of Servo Motor Combinations

05.jpg


Online Consultation
Welcome to Dongguan Jiayi Intelligent Equipment Co., Ltd. We will answer your questions as soon as possible!
If you have detailed product requirements, please fill in the form carefully, and we will contact you as soon as possible!
  • Product*

  • Your Name*

  • Phone Number*

  • Email*

  • Company*

  • Content*

XML Sitemap